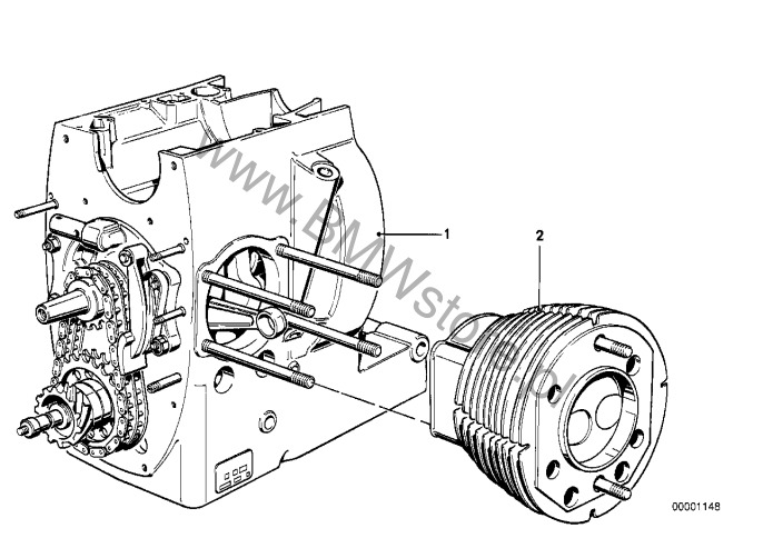
Zespół napędowy silnika dla BMW R 100, /7, /T, CS, RS, RT, S (76-84) R 100 /T USA
| Nr | Nazwa i numer części | Dodatkowe inf. |
Liczba na schemacie |
Okres |
Cena za sztukę |
Termin realizacji |
Zamów |
|---|---|---|---|---|---|---|---|
| 01 |
Zespół napędowy silnika
11 00 1 337 642 |
1 |
od 1977-09 do 1978-09 |
koniec produkcji | |||
| 02 |
Cylinder Nikasil z tłoczkiem
11 00 1 338 027 |
D=94 E=9,0 | 2 | koniec produkcji | |||

