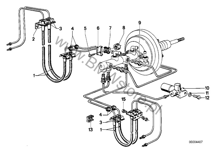
Przewód hamulcowy przedni/Mocowanie dla BMW 5' E12 530i Limousine USA
| Nr | Nazwa i numer części | Dodatkowe inf. |
Liczba na schemacie |
Okres |
Cena za sztukę |
Termin realizacji |
Zamów |
|---|---|---|---|---|---|---|---|
| 01 |
Przewód hamulcowy, elastyczny
34 32 1 113 184 |
4 | koniec produkcji | ||||
| 01 |
Przewód hamulcowy, elastyczny
34 32 1 159 879 |
4 |
430,87 zł
|
do 10 dni |
Zapytaj o dost.
Bez gwarancji potwierdzenia zamówienia Do Koszyka |
||
| 02 |
Uchwyt prawy
34 32 1 102 568 |
1 | koniec produkcji | ||||
| 02 |
Uchwyt elastycznego przewodu ham.
34 32 1 117 804 |
LINKS / RECHTS | 1 |
45,70 zł
|
do 10 dni |
Zapytaj o dost.
Bez gwarancji potwierdzenia zamówienia Do Koszyka |
|
| 03 |
Sprężynka
34 34 1 163 565 |
8 |
4,88 zł
|
do 10 dni | Do Koszyka | ||
| 03 |
Sprężynka
34 34 9 023 119 |
8 | koniec produkcji | ||||
| 04 |
Końcówka gumowa
34 32 1 102 417 |
4 | koniec produkcji | ||||
| 05 |
Śruba samogwintująca
34 32 1 119 239 |
3 |
64,59 zł
|
do 10 dni | Do Koszyka | ||
| 06 |
Uchwyt
34 32 1 155 062 |
3 |
16,88 zł
|
do 10 dni | Do Koszyka | ||
| 07 |
Obejma
34 32 1 108 212 |
3 |
23,64 zł
|
do 10 dni | Do Koszyka | ||
| 08 |
Podkładka
34 32 1 108 306 |
3 |
3,12 zł
|
do 10 dni |
Zapytaj o dost.
Bez gwarancji potwierdzenia zamówienia Do Koszyka |
||
| 09 |
El.złączny
34 32 1 151 806 |
M10X1 | X | koniec produkcji | |||
| 10 |
Regulator ciśnienia hamowania
34 34 1 110 092 |
1 | niedostępna | ||||
| 11 |
Podkładka sprężysta
07 11 9 932 095 |
B8 | 3 | do 1981-07 | koniec produkcji | ||
| 11 |
Podkładka sprężysta
07 11 9 904 115 |
3 |
0,88 zł
|
do 10 dni | Do Koszyka | ||
| 12 |
Śruba z podkładką
07 11 9 913 011 |
M8X12-Z3-1 | 1 |
3,81 zł
|
do 10 dni | Do Koszyka | |
| 13 |
Element dystansowy
34 32 1 107 991 |
2 |
13,35 zł
|
do 10 dni | Do Koszyka | ||
| 14 |
Nakrętka sześciokątna
07 11 9 922 856 |
M8-ZNS | 2 | do 1981-07 | koniec produkcji | ||
| 14 |
Nakrętka sześciokątna
07 11 9 904 032 |
M8-8-ZNS3 | 2 | do 1981-07 |
1,35 zł
|
do 10 dni |
Zapytaj o dost.
Bez gwarancji potwierdzenia zamówienia Do Koszyka |
| 14 |
Nakrętka sześciokątna
07 11 9 905 515 |
M8-8-ZNNIV SI | 2 |
2,52 zł
|
do 10 dni | Do Koszyka | |
| 15 |
Śruba sześciokątna
07 11 9 913 612 |
M8X16 | 2 |
3,38 zł
|
do 10 dni | Do Koszyka | |

