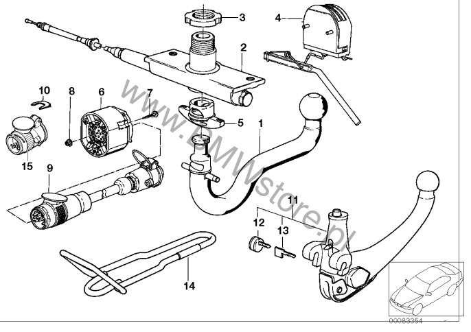
Zaczep holowniczy, poj. części dla BMW 7' E32 750i Limousine ECE
| Nr | Nazwa i numer części | Dodatkowe inf. |
Liczba na schemacie |
Okres |
Cena za sztukę |
Termin realizacji |
Zamów |
|---|---|---|---|---|---|---|---|
| 01 |
Głowica kulista zdejmowana
71 60 1 135 046 pasuje tylko do |
ORIS | 1 | koniec produkcji | |||
| -- |
Hak holowniczy ze zdejmowaną głowicą
71 60 1 130 292 |
ORIS | X | koniec produkcji | |||
| -- |
Hak holowniczy ze zdejmowaną głowicą
71 60 1 136 361 |
X |
4 618,11 zł
|
do 10 dni |
Zapytaj o dost.
Bez gwarancji potwierdzenia zamówienia Do Koszyka |
||
| 02 |
Mocowanie głowicy kulistej
71 60 1 130 208 pasuje tylko do |
ORIS | 1 | koniec produkcji | |||
| -- |
Głowica kulista zdejmowana
71 60 1 130 209 |
ORIS | X | koniec produkcji | |||
| -- |
Głowica kulista zdejmowana
71 60 1 135 046 |
ORIS | X | koniec produkcji | |||
| 03 |
Nakrętka
71 60 1 130 294 |
ORIS | 1 | koniec produkcji | |||
| 04 |
Panel sterujący
71 60 1 130 419 |
ORIS | 1 | koniec produkcji | |||
| 05 |
Osłonka
71 60 1 130 266 |
ORIS | 1 | niedostępna | |||
| 06 |
Gniazdko wtyczkowe
61 13 1 378 999 |
1 |
227,57 zł
|
do 10 dni | Do Koszyka | ||
| 07 |
Śruba soczewkowa
07 11 9 907 698 |
M5X35 | 3 |
3,13 zł
|
do 10 dni |
Zapytaj o dost.
Bez gwarancji potwierdzenia zamówienia Do Koszyka |
|
| 08 |
Nakrętka samozabezpieczająca
07 11 9 915 703 |
M5-8-ZN | 3 | do 1994-04 | koniec produkcji | ||
| 08 |
Nakrętka sześciokątna
07 11 9 915 707 |
M5-8-ZNS | 3 | do 1994-04 | koniec produkcji | ||
| 08 |
Nakrętka sześciokątna
07 11 9 906 520 |
M5-10-ZNNIV SI | 3 |
3,69 zł
|
do 10 dni | Do Koszyka | |
| 09 |
Adapter
61 13 1 382 153 |
1 |
629,64 zł
|
do 10 dni |
Zapytaj o dost.
Bez gwarancji potwierdzenia zamówienia Do Koszyka |
||
| 10 |
Klamra
61 13 1 382 132 |
2 | niedostępna | ||||
| 11 |
Głowica kulista zdejmowana
71 60 1 136 363 pasuje tylko do |
1 | koniec produkcji | ||||
| -- |
Hak holowniczy ze zdejmowaną głowicą
71 60 1 136 361 |
X |
4 618,11 zł
|
do 10 dni |
Zapytaj o dost.
Bez gwarancji potwierdzenia zamówienia Do Koszyka |
||
| 12 | 71 60 1 137 621 | ORIS | X |
41,65 zł
|
Zapytaj o dostępność
Bez gwarancji potwierdzenia zamówienia |
||
| 12 |
Klucz (surowy)
71 60 1 137 622 |
ORIS | X |
76,07 zł
|
do 10 dni |
Zapytaj o dost.
Bez gwarancji potwierdzenia zamówienia Do Koszyka |
|
| 13 | 71 60 1 137 621 | ORIS | X |
41,65 zł
|
Zapytaj o dostępność
Bez gwarancji potwierdzenia zamówienia |
||
| 14 |
Dźwignia
71 60 1 135 368 pasuje tylko do |
1 | koniec produkcji | ||||
| -- |
Hak holowniczy ze zdejmowaną głowicą
71 60 1 130 292 |
ORIS | X | koniec produkcji | |||
| 15 |
Adapter
61 13 6 909 012 |
1 | koniec produkcji | ||||
| 15 |
Adapter
61 13 6 942 997 |
13 - 7 | 1 |
188,73 zł
|
do 10 dni | Do Koszyka | |

